Ограничитель импульсных перенапряжений УЗИП ТДМ ОПС1-B 2Р In=30kA Un=400B Im=60kA
НАЗНАЧЕНИЕ
Ограничители импульсных перенапряжений ОПС1 УЗИП (далее Устройство) предназначен для защиты оборудования от перенапряжений в сети, вызванных резистивными и индуктивными связями (выбросами), возникающих под воздействием тока молнии.
ПРИНЦИП РАБОТЫ УСТРОЙСТВА
Принцип работы устройства заключается в ограничении переходных перенапряжений и отвода импульсов тока на землю, а так же для снижения амплитуды перенапряжения до уровня, безопасного для оборудования.
Ограничители импульсных перенапряжений делятся на 3 класса.
I (B) КЛАСС - Защищает от непосредственного воздействия грозового разряда. Выдерживает амплитуду импульсных токов в пределах 25-100 кА, длительность фронта волны может достигать 350 мкс. Устанавливают на вводе в здание во вводнораспределительном устройстве (ВРУ) или главном распределительном щите (ГРЩ).
II (C) КЛАСС - Защищает от перенапряжений, вызванных коммутационными процессами, а также выполняющие функции дополнительной молниезащиты. Выдерживает амплитуду импульсных токов с крутизной фронта волны 8/20 мкс в пределах 15-20 кА, длительность фронта волны может достигать 20 мкс. Устанавливают в местных распределительных щитках (например, в вводном щитке квартиры, офиса). Они защищают от ударов молнии в ЛЭП, от переключений в системе электроснабжения. Осуществляют защиту внутренней проводки, автоматических и дифференциальных выключателей, контакторов, выключателей, розеток и др.
III (D) КЛАСС - Защищает от импульсных перенапряжений, вызванных остаточными бросками напряжений и несимметричным распределением напряжения между фазой и нейтралью. Также могут использоваться в качестве фильтров высокочастотных помех. Выдерживает амплитуду импульсных токов с крутизной фронта волны 1,2/50 мкс в пределах 1-5 кА, длительность фронта волны может достигать 50 мкс. Предназначены для защиты от остаточных импульсов после УЗИП I и II классов. Устанавливают в распределительные коробки, розетки и могут встраиваться непосредственно в оборудование. Ограничители III класса осуществляют защиту электрического оборудования с электронными приборами, переносных электрических устройств и т.д.
ВАЖНО! При одновременной установке типа 1 и типа 2 расстояние между ними по кабелю должно быть не менее 10 м, расстояние от типа 2 до типа 3 и потребителей — также не менее 10 м. Это создает индуктивность, нужную для того, чтобы автомат более высокой ступени срабатывал раньше.
ПРЕИМУЩЕСТВА В КОНСТРУКЦИИ ОПС1
ОСНОВНЫЕ ОСОБЕННОСТИ
- Класс ограничителя перенапрежений – В;
- Максимальный разрядный ток 8/20 мкс - 60 кА;
- Классификационное напряжение - 700 В;
- Номинальное рабочее напряжение - 400 В;
- Время реакции, не более - 25 нс.;
- Назначение – для защиты на вводе объекта и групповой воздушной линии (вторая ступень защиты);
- Число полюсов - 2;
- Ширина модуля 36 мм;
СХЕМЫ ПОДКЛЮЧЕНИЯ
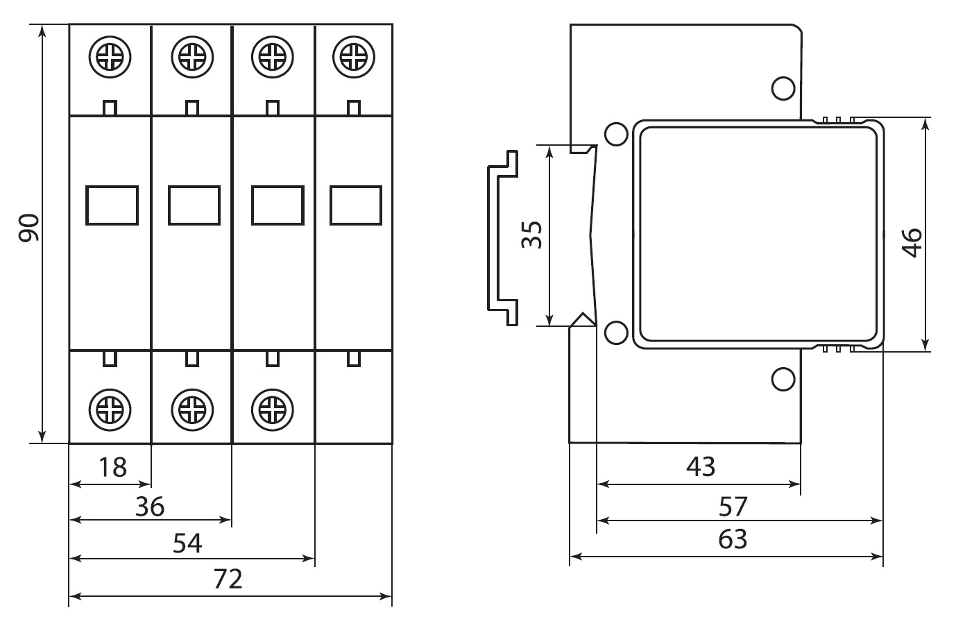
ГАБАРИТНЫЕ РАЗМЕРЫ
Дополнительную информацию о параметрах устройства Вы можете найти во вкладке «Характеристики»










