Устройство защиты УЗДП-63М УХЛ4
НАЗНАЧЕНИЕ
Устройство защиты от дугового пробоя УЗДП-63М УХЛ4 арт. 4680019912639 (далее УЗДП-63М) предназначено для защиты участка цепи от последовательного или параллельного дугового пробоя. Параметры срабатывания защиты установлены в соответствии с требованиями стандарта ГОСТ IEC 62606-2016 "Устройства защиты бытового и аналогичного назначения при дуговом пробое. Общие требования".
Пример дугового пробоя
ОПИСАНИЕ / ПРИНЦИП РАБОТЫ
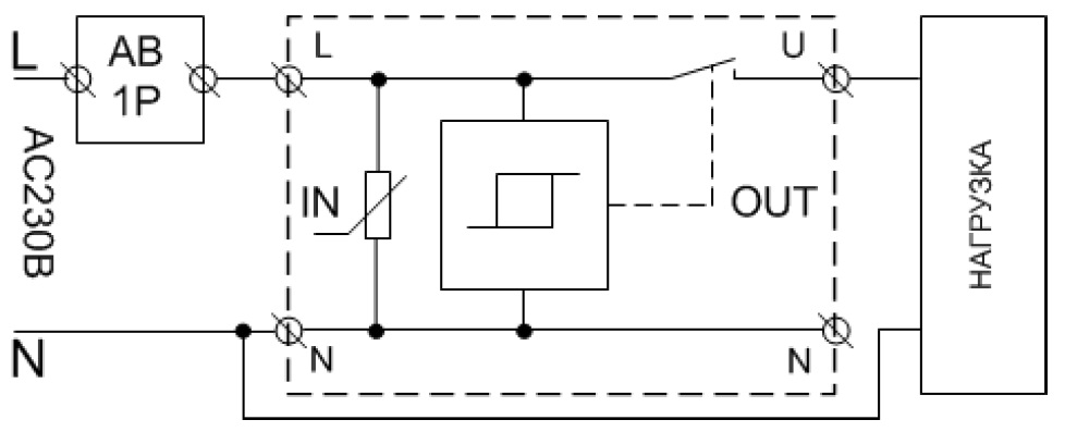
УЗДП-63М осуществляет контроль и защиту только участка цепи после себя. Стабилизаторы питания (трансформаторные или полупроводниковые), разделительные трансформаторы/фильтры помех, если они подключены после Устройства, приведут к некорректной работе прибора. В данном случае контролироваться будет только участок цепи от УЗДП-63М до указанных устройств. 
После отключения питания и его повторной подачи Устройству необходимо до 5-6 секунд на подготовку к работе. Отсутствие индикации в этот момент времени является нормальным состоянием. После подготовки к работе включается индикация.
Если Устройство до подачи питания не находилось в режиме «памяти аварии», то начнется отсчет задержки включения нагрузки (~8-10 секунд). После окончании отсчета напряжение будет подано на контролируемый участок цепи.
В процессе работы УЗДП-63М осуществляет непрерывное детектирование специфических помех, которые появляются при возникновении дугового пробоя. Если величина и длительность этих помех превысят определенные пороговые значения, то сработает встроенное силовое реле и напряжение на защищаемом участке цепи будет отключено.
Логика работы Устройства пытается исключить ложное срабатывание, так как существует большое количество различных приборов и устройств, которые при самостоятельном функционировании или в комбинации с иными электроприборами могут сформировать помеху в сети, похожую по параметрам на дуговой пробой.
После срабатывания защиты по дуговому пробою УЗДП-63М начинает отсчет времени повторной попытки подключения нагрузки к сети (28-30 секунд). После включения питания в течение 3,5-4 минут контролируется повторное возникновение аварии. Если авария в этом интервале времени не возникла, то любое следующее срабатывание будет интерпретироваться, как первичное.
В случае вторичного срабатывания питание в защищаемом участке цепи будет отключено на 4 минуты. После восстановления питания, Устройство также начнет контроль возникновения аварии в течение 4 минут. Третье обнаружение помехи в сети в интервале 4 минут приведет к переходу УЗДП-63М в режим «память аварии». Напряжение на защищаемый участок цепи более не будет подаваться в автоматическом режиме. Выход из данного режима возможен только нажатием на кнопку «Тест».
 ОБРАТИТЕ ВНИМАНИЕ! Если происходит повторное срабатывание устройства при выходе из режима «память аварии», то это говорит о наличии неисправностей. Принудительные повторные многократные включения могут привести к пожару.
 ОБРАТИТЕ ВНИМАНИЕ! Если происходит повторное срабатывание устройства при выходе из режима «память аварии», то это говорит о наличии неисправностей. Принудительные повторные многократные включения могут привести к пожару.
Поиск участка цепи, в котором есть потенциальный дефект можно осуществить по следующему принципу:
1 – отключить все автоматические выключатели после УЗДП-63М;
2 – сбросить аварию и дождаться включения;
3 – начать последовательно подключать участки цепи;
4 – осуществить поиск причины срабатывания в участке цепи, включение которого привело к срабатыванию устройства защиты. Для этого необходимо отключить потребители из розеток, отсоединить удлинители, переходники, и повторить включение автоматического выключателя. Если защита не сработала – начать поиск неисправного электроприбора. Если защита сработала, значит неисправность имеется в проводке и необходимо обратиться к специалистам для поиска и устранения возникшего дефекта.
 ОБРАТИТЕ ВНИМАНИЕ! Максимальное значение коммутируемого трехфазного тока нагрузки – 63А. Это означает, что превышать данное значение нельзя. Вы можете использовать УЗМ-3-63к с любыми иными трехфазными защитными автоматическими выключателями с номиналом не более 63А.
 ОБРАТИТЕ ВНИМАНИЕ! Максимальное значение коммутируемого трехфазного тока нагрузки – 63А. Это означает, что превышать данное значение нельзя. Вы можете использовать УЗМ-3-63к с любыми иными трехфазными защитными автоматическими выключателями с номиналом не более 63А.
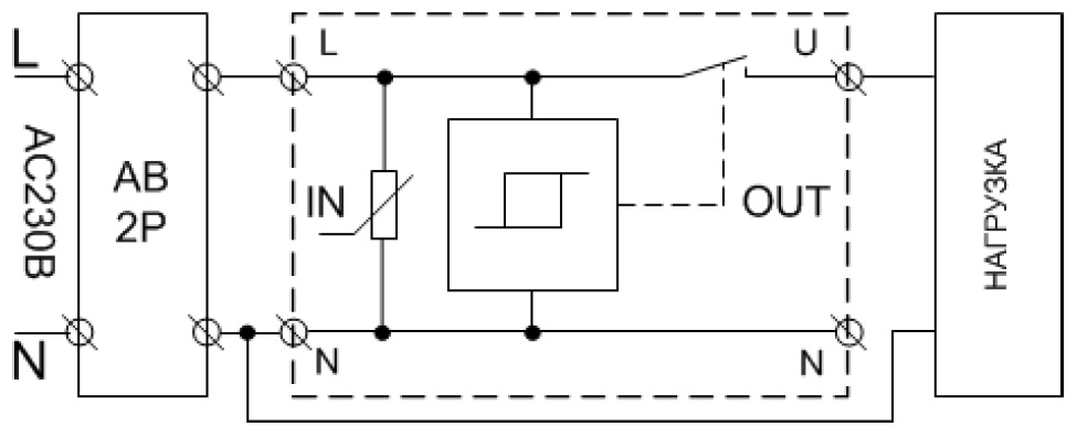
 ОБРАТИТЕ ВНИМАНИЕ! При срабатывании защиты отключается только фазный провод. Нулевой провод N не коммутируется. Транзит N проводника через УЗДП-63М не является обязательным и не влияет на функциональность или обнаружение дугового пробоя.
 ОБРАТИТЕ ВНИМАНИЕ! При срабатывании защиты отключается только фазный провод. Нулевой провод N не коммутируется. Транзит N проводника через УЗДП-63М не является обязательным и не влияет на функциональность или обнаружение дугового пробоя.
 ОБРАТИТЕ ВНИМАНИЕ! Вы может принудительно отключить подачу питания в защищаемую цепь. Для этого при нормальной работе устройства нужно нажать кнопку «тест». Внутреннее реле выключится и включится повторно только при повторном нажатии на кнопку «тест». Отключение и включение питания на входе УЗДП-63М не повлияет на заданное состояние силового контакта.
 ОБРАТИТЕ ВНИМАНИЕ! Вы может принудительно отключить подачу питания в защищаемую цепь. Для этого при нормальной работе устройства нужно нажать кнопку «тест». Внутреннее реле выключится и включится повторно только при повторном нажатии на кнопку «тест». Отключение и включение питания на входе УЗДП-63М не повлияет на заданное состояние силового контакта.
 ОБРАТИТЕ ВНИМАНИЕ! В цепях, содержащих частотные преобразователи, устройство не применять. Так как частотные преобразователи при работе существенно искажают синусоиду сети, что может привести к ложным срабатываниям устройства. А также люминесцентные источники освещения с аналоговой пускорегулирующей аппаратурой и аналоговыми стартерными устройствами в момент включения могут вызвать срабатывание УЗДП. Это является нормальной реакцией устройства. Так как для запуска данной системы освещения осуществляется зажигание дуги в стартерных устройствах.
 ОБРАТИТЕ ВНИМАНИЕ! В цепях, содержащих частотные преобразователи, устройство не применять. Так как частотные преобразователи при работе существенно искажают синусоиду сети, что может привести к ложным срабатываниям устройства. А также люминесцентные источники освещения с аналоговой пускорегулирующей аппаратурой и аналоговыми стартерными устройствами в момент включения могут вызвать срабатывание УЗДП. Это является нормальной реакцией устройства. Так как для запуска данной системы освещения осуществляется зажигание дуги в стартерных устройствах.
 ОБРАТИТЕ ВНИМАНИЕ! Монтаж устройства возможен только на DIN рейку.
 ОБРАТИТЕ ВНИМАНИЕ! Монтаж устройства возможен только на DIN рейку. 
    
             








 
   
  