Реле времени астрономическое РЭВ-225 AC230В УХЛ3.1
НАЗНАЧЕНИЕ
Астрономический таймер РЭВ-225 (далее устройство) предназначен для коммутации электрических цепей с предварительно настроенными координатами и предустановками с привязкой к реальному времени. Устройство автоматически вычисляет время восхода и заката солнца на основе введенных координат и текущего времени, позволяя управлять освещением без использования внешних датчиков.
ПРИНЦИП РАБОТЫ УСТРОЙСТВА
Устройство управляет нагрузкой (включением и выключением) по восходу (включение) и закату (выключение) солнца. РЭВ-225 оснащено встроенными часами реального времени, питание которых осуществляется (в случае отключения основного питания) от встроенного элемента резервного питания – литиевой батареи.
Астрономический режим работы - в качестве события (включено или выключено реле) является алгоритмически рассчитанное время восхода или заката солнца с привязкой к реальному времени и координатам местности, без использования внешнего фотодатчика.
Вышеописанный алгоритм выполняется ежедневно, таймер рассчитывает реальное время восхода и заката солнца, сравнивая его с реальным временем установленным пользователем (имеется функция сдвига, для полярных широт).
 ВАЖНО! Перед использованием таймера обязательно необходимо установить точные координаты и время.
 ВАЖНО! Перед использованием таймера обязательно необходимо установить точные координаты и время.
ОСНОВНЫЕ ОСОБЕННОСТИ
- Источник питания рассчитан на работу в течение 3 лет (литиевая батарея);
- Жидкокристаллический дисплей;
- Индикатор состояния Устройства и встроенного реле;
- Режим работы для выходных дней;
- Возможность опломбировать крышку на передней панели;
- 1 переключающая группа контактов 16А/AC230В.
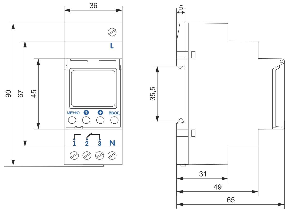
КОНСТРУКЦИЯ УСТРОЙСТВА
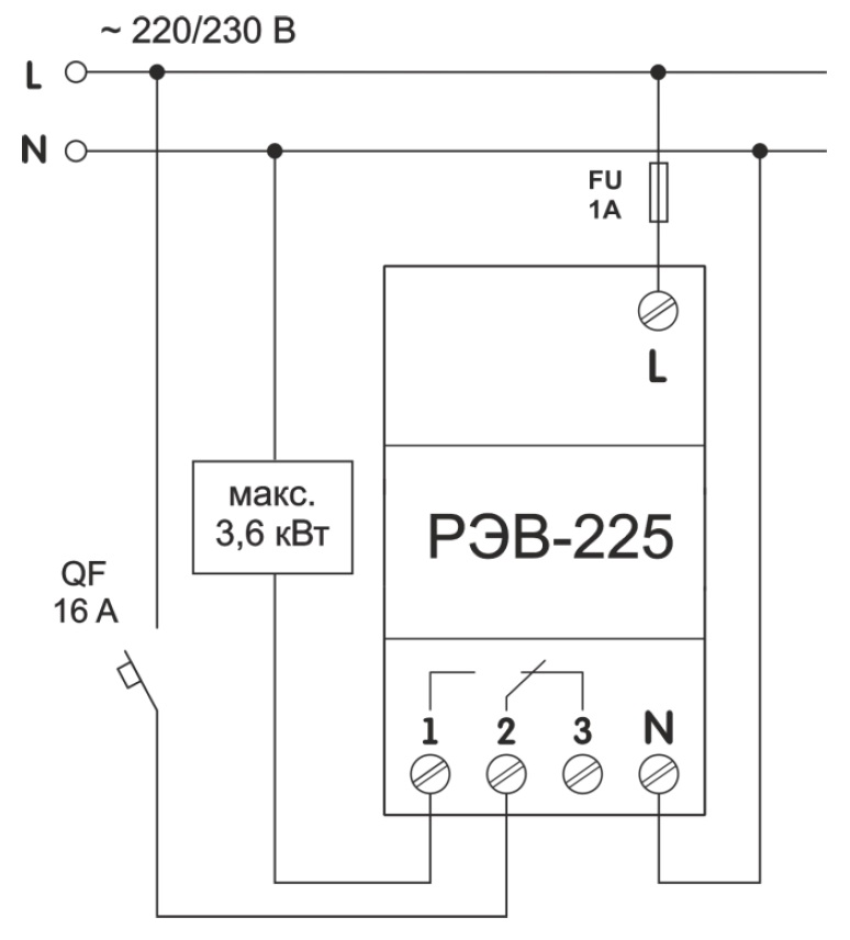
Устройство выпускается в унифицированном пластмассовом корпусе с передним присоединением проводов питания и коммутируемых электрических цепей. Крепление осуществляется на монтажную DIN-рейку шириной 35мм (ГОСТ Р МЭК 60715-2003). Конструкция клемм обеспечивает надёжный зажим проводов питания сечением до 4 мм2
 ВАЖНО! При отсутствии внешнего питания нагрузка коммутироваться не будет.
 ВАЖНО! При отсутствии внешнего питания нагрузка коммутироваться не будет.Дополнительную информацию о параметрах и режимах работы устройства Вы можете найти в паспорте изделия (вкладка «файлы»)
 
    
             



 
   
  