Реле РНПП-311.1
НАЗНАЧЕНИЕ
Реле контроля напряжения РНПП-311.1 АС230/AC400В УХЛ3 арт. 3425601311.1 (далее РНПП-311.1) предназначено для защиты оборудования работающего в трехфазной сети с нейтралью (контроль фазного напряжения). Оно осуществляет мониторинг сети для выявления аварийных ситуаций. В случае их возникновения РНПП-311.1 переключает исполнительные контакты реле. Реле питается непосредственно от контролируемого напряжения.
ОПИСАНИЕ / ПРИНЦИП РАБОТЫ
При подаче питания устройство начинает непрерывный мониторинг параметров сети: соответствие фазного или линейного напряжения установленным порогам срабатывания, перекос фаз, обрыв одной или нескольких фаз, порядок чередования фаз, слипание фаз. Это позволяет обеспечивать надежную защиту оборудования от аварийных режимов работы, вызванных неполадками в сети.
Если напряжение в сети находится в диапазоне между установленными верхним и нижним порогами и все контролируемые параметры сети соответствуют норме, начинается отсчет задержки времени включения АПВ (5 секунд). После завершения отсчета включается встроенное исполнительное реле (контакты 2-3, 5-6 замыкаются, а контакты 1-2, 4-5 размыкаются). Если во время отсчета напряжение выйдет за установленные пределы, отсчет времени сбросится.
Если в процессе работы напряжение на любой из фаз выйдет за установленные пороги или возникнет аварийная ситуация в сети (например, перекос фаз выше допустимого значения (60В), обрыв одной или нескольких фаз, слипание фаз), начнется отсчет времени отключения исполнительного реле. Если в течение этого времени параметры сети не вернутся в норму, реле отключится. При восстановления параметров сети начинается отсчет времени автоматического повторного включения нагрузки (АПВ). Если в течение этого времени параметры сети останутся в пределах нормы, встроенное реле включится.
Изделие может находиться в одном из следующих режимов: нормальная работа, авария по напряжению или выдержка времени АПВ.
1) Нормальная работа:
Напряжение сети находится в пределах, заданных пользователем при настройке изделия;
Время АПВ истекло;
Защищаемое оборудование подключено к сети;
Красный индикатор «АВАРИЯ» не включен;
Зеленые индикаторы включены «СЕТЬ».
2) Авария по напряжению:
Напряжение сети вышло за пределы заданные пользователем при настройке изделия, на время, превышающее указанное в технических характеристиках;
Защищаемое оборудование отключено от сети, включен индикатор «АВАРИЯ»;
При обрыве фазы соответствующий индикатор «СЕТЬ» не горит.
3) Выдержка времени АПВ:
Отсчет времени АПВ начинается с момента подачи питания или возникновения аварии.
После завершения времени АПВ изделие перейдет в состояние Нормальная работа, если параметры напряжения сети восстановились после аварии.
ОБРАТИТЕ ВНИМАНИЕ! При монтаже для надежного контакта необходимо производить затяжку винтов клемм с моментом 0,4Нм.
ОБРАТИТЕ ВНИМАНИЕ! Для повышения надежности и безопасности эксплуатации устройства рекомендуется установить предохранитель (плавкую вставку) или его аналог в цепях питания РНПП-311.1 (L1, L2, L3). Номинальный ток предохранителя должен составлять 1А. Это поможет защитить устройство от возможных перегрузок и коротких замыканий в сети.
ОСНОВНЫЕ ОСОБЕННОСТИ
- Работа в четырехпроводных сетях (с нейтралью);
- Симметрично регулируемый нижний и верхний порог срабатывания в диапазоне от -5% до +25% от номинального значения напряжения (230В);
- Контроль асимметрии фаз (60В), обрыва фаз, обрыв нейтрали, чередования (последовательности) фаз и слипании фаз;
- Индикаторы наличия напряжения на фазах;
- Индикатор "АВАРИЯ";
- 2 переключающие группы по 5А/AC250В.
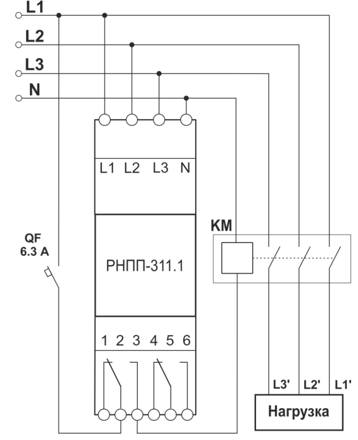
ПРИМЕР СХЕМЫ ПОДКЛЮЧЕНИЯ
KM – магнитный пускатель (напряжение катушки 230В)
QF – автоматический выключатель на ток не более 6,3А



