Реле РКН-1МЦ DC10-60В УХЛ2
НАЗНАЧЕНИЕ
Реле контроля напряжения РКН-1МЦ (далее устройство) предназначено для защиты оборудования от работы на пониженном или повышенном напряжении из-за неполадок в сети. Устройство оборудовано ярким светодиодным трехразрядным дисплеем для отображения текущенго напряжения, а так же для настройки параметров. Питание реле осуществляется от контролируемого напряжения.
ПРИНЦИП РАБОТЫ УСТРОЙСТВА
Устройство имеет три режима функционирования: режим защиты от пониженного и повышенного напряжения питания, режим защиты только от пониженного напряжения питания и режим защиты только от повышенного напряжения питания. Режимы работы устройства выбираются в програмном МЕНЮ кнопками расположенными на лицевой панели, согласно инструкции.
ВАЖНО! Устройство постоянно контролирует частоту сети. И при выходе её за не допустимые пределы реле отключается и на дисплее отображается "Er.f"
ВАЖНО! Устройство оснащено защитой от переполюсовки (обратной полярности) при контроле постоянного напряжения, на дисплее отображается "-U"
Режим защиты от пониженного и повышенного напряжения питания: при подаче питания на устройство, если напряжение сети находится в диапазоне между верхним и нижнем порогами срабатывания, начинается отсчет установленной задержки времени включения "ton" (индикатор реле будет мигать желтым), после чего включается встроенное исполнительное реле. Если в процессе отсчета времени включения напряжение питания выйдет за установленные пороги, то отсчет времени сбросится. При включении исполнительного реле замыкаются контакты 11-14 и загорается зеленый индикатор "сеть". Если напряжение сети отклоняется от установленных значений, то начинается отсчет задержки времени срабатывания "tof" исполнительного реле, после чего реле выключается и замыкаются контакты 11-12.
Режим защиты только от пониженного напряжения питания: при подаче питания на устройство, если напряжение сети выше нижнего порога срабатывания, то начинается отсчет установленной задержки времени включения "ton" (индикатор реле будет мигать желтым), после чего включается встроенное исполнительное реле. Если в процессе отсчета времени напряжение питания станет менее установленного, то отсчет времени сбросится. При включении исполнительного реле замыкаются контакты 11-14 и загорается зеленый индикатор "сеть". Если напряжение сети отклоняется от установленных значений, то начинается отсчет задержки времени срабатывания "tof" исполнительного реле, после чего реле выключается и замыкаются контакты 11-12.
Режим защиты только от повышенного напряжения питания: при подаче питания на устройство, если напряжение сети ниже верхнего порога срабатывания, то начинается отсчет установленной задержки времени включения "ton" (индикатор реле будет мигать желтым), после чего включается встроенное исполнительное реле. Если в процессе отсчета времени напряжение питания станет более установленного, то отсчет времени сбросится. При включении исполнительного реле замыкаются контакты 11-14 и загорается зеленый индикатор "сеть". Если напряжение сети отклоняется от установленных значений, то начинается отсчет задержки времени срабатывания "tof" исполнительного реле, после чего реле выключается и замыкаются контакты 11-12.
ВАЖНО! В конструкции изделия применено поляризованное электромагнитное реле с двумя устойчивыми состояниями. Одиночные удары во время транспортировки могут привести к самопроизвольному переключению контактов. Неправильное положение контактов перед первым включением реле не является признаком дефектности реле. При первом включении исходное (выключенное) состояние контактов восстанавливается.
ОСНОВНЫЕ ОСОБЕННОСТИ
- Корпус шириной 18мм;
- Регулируемый порог 1 срабатывания на понижение напряжения;
- Регулируемый порог 2 срабатывания на повышение напряжения;
- Независимые регулируемые значения задержки времени срабатывания 0,1-20 секунд и включения исполнительного реле 2-999 секунд;
- Широкий диапазон контролируемого напряжения питания AC или DC;
- Индикаторы нормального и аварийного состояния сети и реле;
- 1 переключающая группа контактов 8А/AC250В.
КОНСТРУКЦИЯ УСТРОЙСТВА
Устройство выпускается в унифицированном пластмассовом корпусе с передним присоединением проводов питания и коммутируемых электрических цепей. Крепление осуществляется на монтажную DIN-рейку шириной 35 мм (ГОСТ Р МЭК 60715-2003) или на ровную поверхность. Для установки устройства на ровную поверхность, фиксаторы замков необходимо переставить в крайние отверстия, расположенные на тыльной стороне корпуса. Конструкция клемм обеспечивает надёжный зажим проводов сечением до 2,5 мм2.
УСЛОВИЯ ЭКСПЛУАТАЦИИ
Устройство обеспечивает заданные режимы функционирования при соблюдении следующих условий:
- Окружающая среда – взрывобезопасная, не содержащая пыли в количестве, нарушающем работу устройства, а также агрессивных газов и паров в концентрациях, разрушающих металлы и изоляцию;
- Допускается вибрация мест крепления с частотой от 1 до 100Гц с ускорением не более 9,8 м/с2;
- Отсутствие электромагнитных полей, создаваемых проводом с импульсным током амплитудой более 100А, расположенным на расстоянии менее 10 мм от корпуса устройства;
- Устройство устойчиво к воздействию помех степени жёсткости 3 в соответствии с требованиям ГОСТ Р 51317.4.1-2000, ГОСТ Р 51317.4.4-99, ГОСТ Р 51317.4.5-99;
- Конденсация влаги на поверхности изделия не допускается;
- Высота над уровнем моря не более 2000 м.
ДИАГРАММЫ РАБОТЫ
При контроле постоянного напряжения положительный провод питания подключается к клемме «А1», отрицательный к клемме «А2», полярность соблюдать обязательно. Исполнительные цепи 11-12/14.
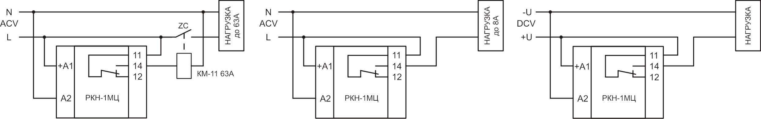
СХЕМА ПОДКЛЮЧЕНИЯ
При контроле постоянного напряжения положительный провод питания подключается к клемме «А1», отрицательный к клемме «А2», полярность соблюдать обязательно. Исполнительные цепи 11-12/14.
ГАБАРИТНЫЕ РАЗМЕРЫ И ЛИЦЕВАЯ ПАНЕЛЬ
Дополнительную информацию о параметрах и режимах работы устройства Вы можете найти в паспорте изделия (вкладка «файлы»).





