Реле РИО-3-63 АС230В УХЛ4
НАЗНАЧЕНИЕ
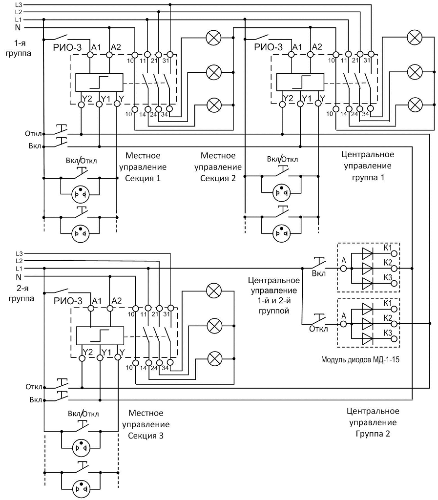
Реле импульсное РИО-3-63 арт.4640016938926 (далее РИО-3-63) предназначено для удаленного управления цепями осветительных приборов, с применением параллельно соединенных кнопок управления.
ОПИСАНИЕ / ПРИНЦИП РАБОТЫ
РИО-3-63 оснащено тремя входами управления и предустановленным силовым реле. При подачи сигнала на вход "Y1" всегда включается силовое реле, при подаче сигнала на "Y2" - всегда выключается силовое реле, а при каждой подачи сигнала на вход "Y" - происходит смена состояния реле.
РИО-3-63 можно управлять статическим выключателем подавая питание на А1, при этом команды по входам "Y1", "Y2" и "Y" игнорируются. При снятии питания с А1, реле выключается и входы "Y1", "Y2" и "Y" активируются.
Реле не требует наличия оперативного питания. Устройство питается в момент подачи сигналов на входы управления. В выключенном состоянии контакты 11-14, 21-24, 31-34 разомкнуты.
ОСНОВНЫЕ ОСОБЕННОСТИ
- Управление трехфазным оборудованием или системами освещения из нескольких мест;
- Возможность централизовать управление системами освещения;
- 3 нормально разомкнутых контакта;
- Максимальный ток контакта 63А/AC250В;
- Отсутствия шума во включенном состоянии;
- Отсутствие подгорания контактов выключателей освещения;
- Возможность применения кнопочных выключателей с подсветкой.
ПРИМЕР СХЕМЫ ПОДКЛЮЧЕНИЯ
ГАБАРИТНЫЕ РАЗМЕРЫ



