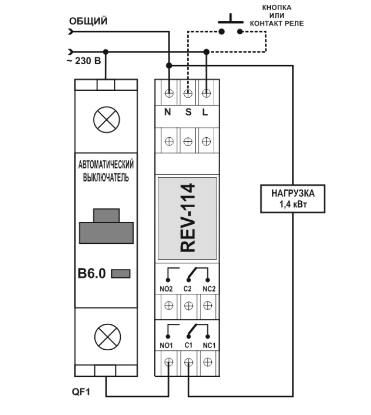
Реле времени РЭВ-114 AC230В УХЛ3.1
НАЗНАЧЕНИЕ
Многофункциональное реле времени РЭВ-114 (далее устройство) предназначено для коммутации электрических цепей с предварительно настроенными выдержкой времени и алгоритмом работы.
ПРИНЦИП РАБОТЫ УСТРОЙСТВА
Устройство может осуществлять функционирование по одному из 17 режимов работы.
Работа с паузы (задержка на включение): При подаче напряжения питания, Устройство начинает отсчёт заданного времени задержки включения реле (время паузы). После окончания отсчета включается встроенное исполнительное реле. Если в процессе отсчета времени произойдет отключение питания, то отсчет времени сбросится и включение исполнительного реле не произойдет. Отключение исполнительного реле происходит одновременно с отключением питания.
Работа с импульса (задержка на выключение): При подаче напряжения питания включается встроенное исполнительное реле и Устройство начинает отсчёт заданного времени его работы (время импульса). После окончания отсчета встроенное реле выключается. Если в процессе отсчета времени произойдет отключение питания, то исполнительное реле выключится до окончания отсчета времени работы.
Режим циклической работы с паузы:При подаче питания начинается отсчет заданного времени задержки включения реле (паузы). После окончания отсчета времени паузы реле включается и начинается отсчет времени работы реле (импульса), после чего реле выключается цикл повторяется до отключения питания. Длительность паузы и импульса устанавливаются при выборе режима работы Устройства.
Режим циклической работы с импульса:При подаче питания включается реле и начинается отсчет заданного времени работы (импульса). После окончания отсчета времени реле отключается и начинается отсчет паузы в работе, после чего реле включается и цикл повторяется до отключения питания. Длительность паузы и импульса устанавливаются при выборе режима работы Устройства.
Генератор импульса:При подаче питания начинается отсчет заданного времени задержки включения реле (паузы). После окончания отсчета времени паузы реле включается и начинается отсчет времени работы реле (импульса), после чего реле выключается и остается в выключенном состоянии до отключения питания. Длительность паузы и импульса устанавливаются при выборе режима работы Устройства.
Работа с паузы (задержка на включение) при наличии внешней команде: При подаче напряжения питания, Устройство переходит в режим ожидания управляющего сигнала. При подаче управляющего сигнала начинается отсчёт заданного времени задержки включения реле (время паузы). После окончания отсчета включается встроенное исполнительное реле. Если в процессе отсчета времени произойдет отключение внешнего управляющего сигнала, то отсчет времени сбросится и включение исполнительного реле не произойдет. Отключение исполнительного реле происходит при отключении управляющего сигнала. Если после отключения внешней команды питание сохраняется, то Устройство переходит в режим ожидания нового управляющего сигнала.
Работа с импульса (задержка на выключение) при наличии внешней команды: При подаче напряжения питания, Устройство переходит в режим ожидания управляющего сигнала. При подаче управляющего сигнала включается встроенное исполнительное реле. После отключения управляющего сигнала начинается отсчёт заданного времени задержки выключения реле (время импульса). После окончания отсчета встроенное исполнительное реле выключается и Устройство переходит в режим ожидания новой команды. Если в процессе отсчета времени произойдет повторная подача внешнего управляющего сигнала, то отсчет времени сбросится и отключение исполнительного реле не произойдет. Отключение исполнительного реле происходит одновременно с отключением питания или после окончания отсчета времени импульса.
Формирование импульса (задержка на выключение) при получении внешней команды: При подаче напряжения питания, Устройство переходит в режим ожидания управляющего сигнала. При подаче управляющего сигнала включается встроенное исполнительное реле и начинается отсчёт заданного времени задержки выключения реле (время импульса). После окончания отсчета встроенное исполнительное реле выключается и Устройство переходит в режим ожидания новой команды. Подача внешнего управляющего сигнала после включения реле не влияет на процесс отсчета времени. Отключение исполнительного реле происходит одновременно с отключением питания или после окончания отсчета времени импульса.
Формирование импульса (задержка на выключение) после отключения внешней команды: При подаче напряжения питания, Устройство переходит в режим ожидания управляющего сигнала. При подаче управляющего сигнала встроенное исполнительное реле не включается. После отключения управляющего сигнала происходит включение встроенного исполнительного реле и начинается отсчёт заданного времени задержки выключения реле (время импульса). После окончания отсчета встроенное исполнительное реле выключается и Устройство переходит в режим ожидания новой команды. Подача внешнего управляющего сигнала после включения реле не влияет на процесс отсчета времени. Отключение исполнительного реле происходит одновременно с отключением питания или после окончания отсчета времени импульса.
Задержка включения-выключения по внешней команде: При подаче напряжения питания, Устройство переходит в режим ожидания управляющего сигнала. При подаче управляющего сигнала начинается отсчет задержки включения встроенного исполнительного реле (время паузы). После окончания отсчета времени паузы включается встроенное исполнительное реле. Если на момент включения управляющий сигнал сохраняется, то начало отсчета времени отключения встроенного исполнительного реле (время импульса) начинается только после отключения управляющего сигнала. Если на момент включения реле управляющий сигнал отсутствует, то отсчет времени импульса начинается сразу после включения реле. После окончания отсчета времени импульса встроенное исполнительное реле выключается и Устройство переходит в режим ожидания новой команды.
Смена состояния по внешней команде: При подаче напряжения питания, Устройство переходит в режим ожидания управляющего сигнала. При подаче управляющего происходит включение встроенного исполнительного реле. Реле продолжает работать до момента получения нового управляющего сигнала. Цикл работы повторяется до момента отключения питания.
Режим циклической работы с паузы по внешней команде:При подаче питания устройство переходит в режим ожидания внешней команды. При подаче внешнего управляющего сигнала начинается отсчет заданного времени задержки включения реле (паузы). После окончания отсчета времени паузы реле включается и начинается отсчет времени работы реле (импульса), после чего реле выключается и цикл повторяется до момента отключения внешнего управляющего сигнала или питания Устройства. Длительность паузы и импульса устанавливаются при выборе режима работы Устройства.
Режим циклической работы с импульса по внешней команде: При подаче питания устройство переходит в режим ожидания внешней команды. При подаче внешнего управляющего сигнала включается встроенное реле и начинается отсчет заданного времени задержки выключения реле (импульса). После окончания отсчета времени импульса реле выключается и начинается отсчет времени простоя реле (паузы), после чего реле включается и цикл повторяется до момента отключения внешнего управляющего сигнала или питания Устройства. Длительность паузы и импульса устанавливаются при выборе режима работы Устройства.
Генератор импульса с запуском по внешней команде: При подаче питания Устройство переходит в режим ожидания внешней команды. После получения управляющего сигнала начинается отсчет заданного времени задержки включения реле (паузы). После окончания отсчета времени паузы реле включается и начинается отсчет времени работы реле (импульса), после чего реле выключается и остается в выключенном состоянии до отключения питания. Длительность паузы и импульса устанавливаются при выборе режима работы Устройства.
Запуск и отключение по внешней команде: При подаче питания Устройство переходит в режим ожидания внешней команды. После получения управляющего сигнала начинается отсчет заданного времени задержки включения реле (паузы). После окончания отсчета времени паузы реле включается и продолжает работать до момента получения нового управляющего сигнала. После получения второго управляющего сигнала начинается отсчет времени задержки отключения реле, после чего реле выключается и Устройство переходит в режим ожидания новой команды запуска. Длительность паузы и импульса устанавливаются при выборе режима работы Устройства.
Мгновенный контакт При подаче питания встроенное исполнительное реле включается и продолжает работать до момента отключения питания.
Всегда выключено Встроенное исполнительное реле не реагирует на подачу питания или команды внешнего запуска.
Для всех режимов работы: При включении встроенного исполнительного реле происходит размыкание контактов C1-NC1, C2-NC2 и замыкание контактов C1-NO1, C2-NO2.
ОСНОВНЫЕ ОСОБЕННОСТИ
- 17 режимов работы;
- Раздельная настройка времени импульса/паузы в диапазоне от 0,1 с до 10 дней;
- Индикаторs состояния Устройства и встроенного реле;
- Цифровой дисплей, предназначеный для настройки и визуального контроля отсчета времени;
- 2 переключающие группы контактов 6А/AC250В.
КОНСТРУКЦИЯ УСТРОЙСТВА
Устройство выпускается в унифицированном пластмассовом корпусе с передним присоединением проводов питания и коммутируемых электрических цепей. Крепление осуществляется на монтажную DIN-рейку шириной 35мм (ГОСТ Р МЭК 60715-2003). Конструкция клемм обеспечивает надёжный зажим проводов питания сечением до 2мм2
ВАЖНО! Для повышения эксплуатационных свойств изделия рекомендуется установить предохранитель (вставку плавкую) или его аналог в цепь питания РЭВ-114 на ток 1 АДополнительную информацию о параметрах и режимах работы устройства Вы можете найти в паспорте изделия (вкладка «файлы»).



