Реле промежуточное МРП-2-1 ACDC24В/AC230В УХЛ4
НАЗНАЧЕНИЕ
Промежуточное реле МРП-2-1 ACDC24В/AC230В УХЛ4 арт. производителя 4640016935260 (далее МРП-2-1) предназначено для гальванического разделения силовых цепей и сигнальных цепей (цепей управления). Применение данного реле позволяет управлять нагрузкой как при разном по номиналу напряжении управляющего сигнала и напряжении нагрузки, так и при различном роде тока (постоянный/переменный) в управлении МРП-2-1 и в коммутируемых цепях. Промежуточное реле также может использоваться для увеличения количества групп контактов в коммутируемых цепях или величины коммутируемой мощности. Например, при недостаточной мощности выходного сигнала от контроллера. В данном случае выходной сигнал используется, как сигнал управления для промежуточного реле.
ОПИСАНИЕ / ПРИНЦИП РАБОТЫ
После подачи питания на контакты А1 и А2 (А3) включается встроенное исполнительное реле и загорается светодиодный индикатор наличия питания. Контактные группы переходят из нормально замкнутого состояния в нормально разомкнутое (замыкаются контакты *1-*4, размыкаются *1-*2, * - номер группы контактов). При отключении питания с контактов А1 и А2 (А3), контакты *1-*4 размыкаются, а *1-*2 замыкаются.
ОБРАТИТЕ ВНИМАНИЕ! После подачи питания на контакты А1-А2 (А3) никакого напряжения на контактах *1,2,4 не появится. Так, как цепь питания МРП-2-1 и контактные группы не связаны между собой электрически внутри.
МРП-2-1 имеет встроенную защиту от индуктивных выбросов при коммутации исполнительного реле. Дополнительных RC цепей не требуется. Каждая из двух переключающих групп контактов позволяет коммутировать ток до 8А (АС1) при напряжении DC30В или ток до 7А (АС1) при напряжении AC250В 50Гц. Суммарный продолжительный ток через все контактные группы не более 12А.
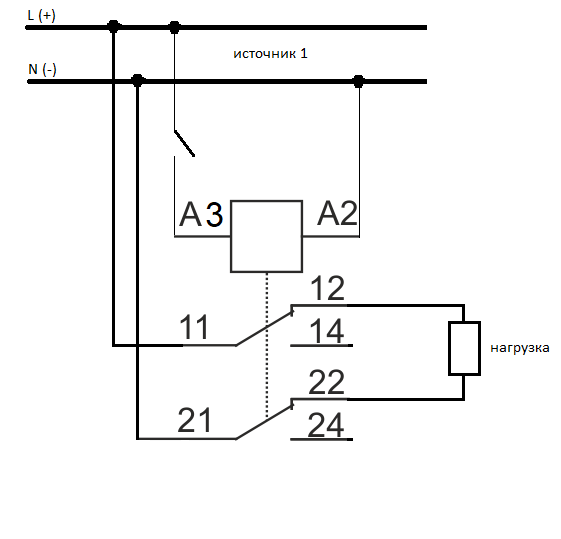
ПРИМЕРЫ ПОДКЛЮЧЕНИЯ МРП-2-1
Напряжение питания катушки управления – ACDC24В (А2-А3) или AC230В (А1-А2).
ГАБАРИТНЫЕ РАЗМЕРЫ И ВИД С ЛИЦЕВОЙ СТОРОНЫ
В прямоугольной пиктограмме на лицевой крышке допускается нанесение схемотехнической маркировки/обозначения устройства.






