Реле многофункциональное РЭВ-303 ACDC24-265В/DC10-24B УХЛ3.1
НАЗНАЧЕНИЕ
Программируемый многофункциональный таймер РЭВ-303 (далее устройство) предназначен для коммутации электрических цепей с предварительно настроенными выдержкой времени и алгоритмом работы с привязкой к реальному времени (астрономический таймер). Устройство автоматически вычисляет время восхода и заката солнца на основе введенных координат и текущего времени, позволяя управлять освещением без использования внешних датчиков.
ПРИНЦИП РАБОТЫ УСТРОЙСТВА
Устройство управляет нагрузкой по одной из заданных пользователем программ Пх (х – номер программы от 1 до 2), которые настраиваются отдельно. РЭВ-303 оснащено встроенными часами реального времени, питание которых осуществляется (в случае отключения основного питания) от встроенного элемента резервного питания – литиевой батареи.
Каждая программа Пх может быть настроена на один из режимов работы:
- Астрономический режим работы - в качестве события пользователь задает состояние реле нагрузки (включено или выключено) и смещение времени относительно восхода или заката солнца (от -23:59 до +23:59).
Ежедневно таймер рассчитывает реальное время восхода и заката солнца, суммирует это время со временем события, затем полученное время сравнивается с часами реального времени. Если полученное значение больше или равно реальному времени – таймер переключит реле нагрузки в состояние, указанное в событии.
Вышеописанный алгоритм выполняется для каждого заданного пользователем события. При этом если событий больше 1, сработает только то событие, которое соответствует часам реального времени, остальные события выполняться не будут.
На широтах, где наступил полярный день, события, связанные с заходом солнца, выполняться не будут, а время восхода солнца принимается равным 00:00.
На широтах, где наступила полярная ночь, события, связанные с восходом солнца, выполняться не будут, а время захода солнца принимается равным 00:00. - Недельный режим работы - в качестве события пользователь задает состояние реле нагрузки (включено или выключено), день недели (с понедельника по пятницу) и время (от 00:00:00 до 23:59:59).
День недели и время события сравниваются с внутренними часами реального времени. Если они равны или время события больше реального времени – таймер переключит реле нагрузки в состояние, указанное в событии.
Вышеописанный алгоритм выполняется для каждого заданного пользователем события. При этом если событий больше 1, сработает только то событие, которое соответствует часам реального времени, остальные события выполняться не будут. - Суточный режим работы - в качестве события пользователь задает состояние реле нагрузки (включено или выключено) и время (от 00:00:00 до 23:59:59).
Время события сравнивается с внутренними часами реального времени. Если они равны или время события больше реального времени – таймер переключит реле нагрузки в состояние, указанное в событии.
Вышеописанный алгоритм выполняется для каждого заданного пользователем события. При этом если событий больше 1, сработает только то событие, которое соответствует часам реального времени, остальные события выполняться не будут. - Простой режим работы - в качестве события пользователь задает состояние реле нагрузки (включено или выключено) и время (от 00:00:00:0 до 23:59:59:9).
Время события сравнивается с внутренним счетчиком, который начинает считать с момента подачи питания на таймер. Если они равны или время события больше внутреннего счетчика – таймер переключит реле нагрузки в состояние, указанное в событии.
Вышеописанный алгоритм выполняется для каждого заданного пользователем события. При этом если событий больше 1, сработает только то событие, которое соответствует внутреннему счетчику, остальные события выполняться не будут.
ВАЖНО! Перед использованием таймера обязательно необходимо установить точную дату и время.
ОСНОВНЫЕ ОСОБЕННОСТИ
- 4 режима (алгоритмов) работы реле времени;
- Светодиодный графический дисплей 128х64 точек;
- Календарь с резервом хода на 6 лет при отсутствии внешнего питания;
- Индикатор состояния Устройства и встроенного реле;
- Общая внутренняя память на 500 независимых событий, распределяемых между программами;
- возможность установки пароля на вход в меню настроек;
- 1 переключающая группа контактов 16А/AC230В.
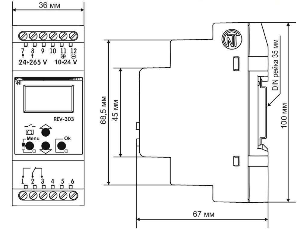
КОНСТРУКЦИЯ УСТРОЙСТВА
Устройство выпускается в унифицированном пластмассовом корпусе с передним присоединением проводов питания и коммутируемых электрических цепей. Крепление осуществляется на монтажную DIN-рейку шириной 35мм (ГОСТ Р МЭК 60715-2003). Конструкция клемм обеспечивает надёжный зажим проводов питания сечением до 2.5 мм2
ВАЖНО! При подключении источника постоянного тока (клеммы 11, 12) соблюдение полярности не обязательно.Дополнительную информацию о параметрах и режимах работы устройства Вы можете найти в паспорте изделия (вкладка «файлы»)



