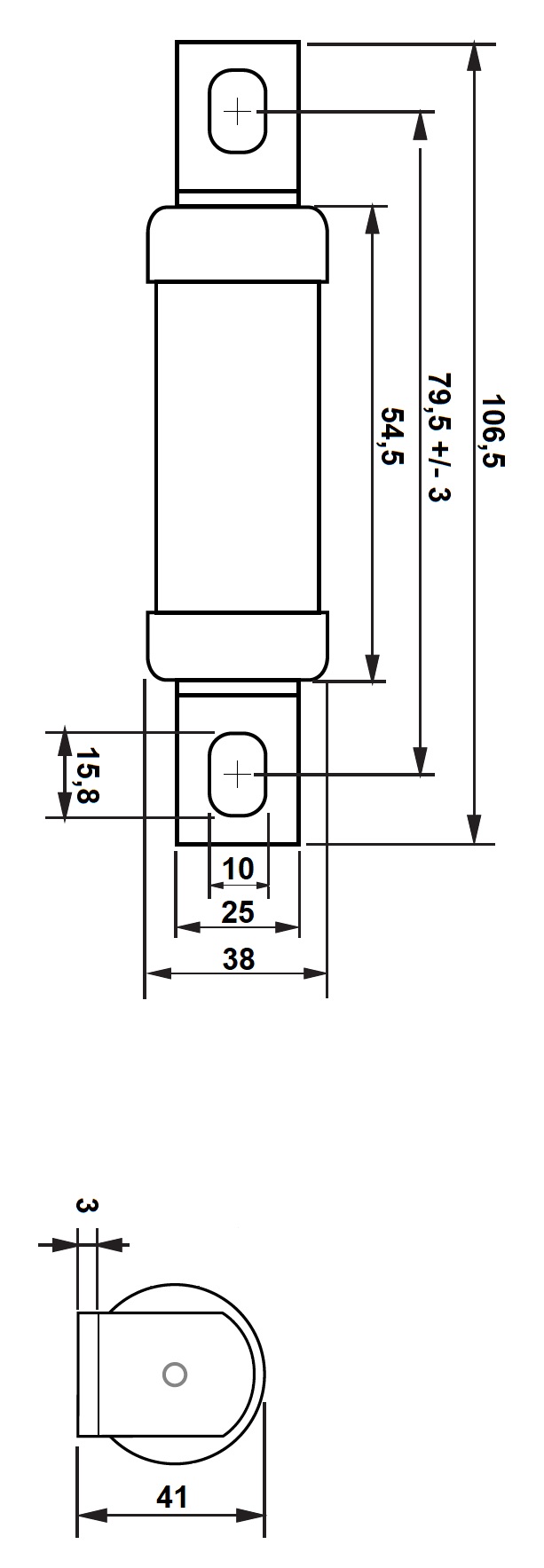
Предохранитель CHFE RGS7 690В/350А
Технические данные
Номинальный ток плавкой вставки
350А
Рабочее напряжение
до 690В AC/500В DC
Вес / Размеры
Вес
0.220
кг
Производитель
Страна происхождения
Китай
Бренд
CHFE


