Предохранитель CHFE RGS4 690В/40А
Технические данные
Номинальный ток плавкой вставки
40А
Рабочее напряжение
до 690В AC/500В DC
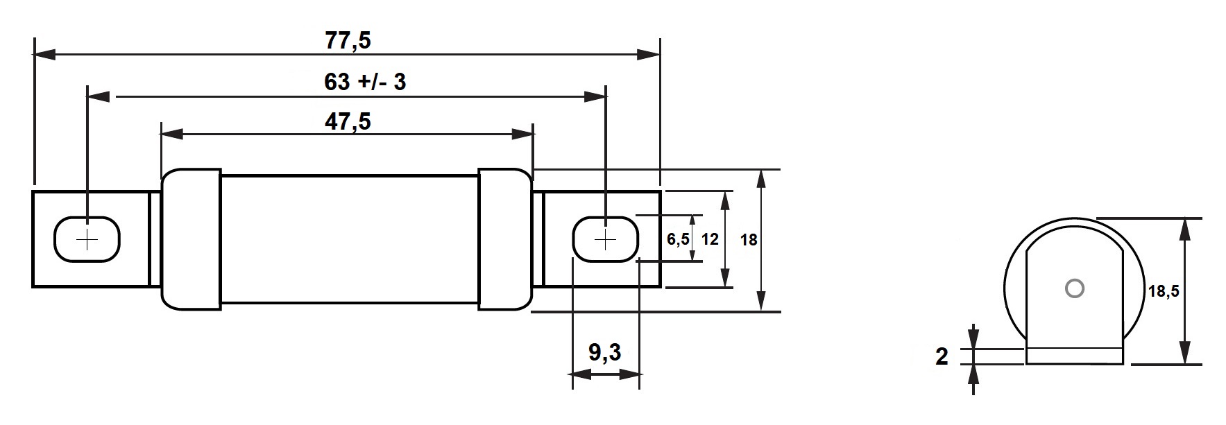
Вес / Размеры
Вес
0.035
кг
Производитель
Страна происхождения
Китай
Бренд
CHFE


