Предохранитель CHFE CFB-5 1000В/400А
НАЗНАЧЕНИЕ
Быстродействующий плавкий предохранитель CHFE CFB-5 400А предназначен для защиты от токов коротких замыканий. Основная область применения - защита полупроводниковых приборов. Номинальный ток срабатывания 400А. Номинальное рабочее напряжение до 1000В. Корпус предохранителя изготовлен из стекломеламина, клеммы из меди с гальваническим покрытием (защита от окисления), высококачественный наполнитель, это кварцевый кремний и плавкий элемент из серебра чистотой 99,9%.
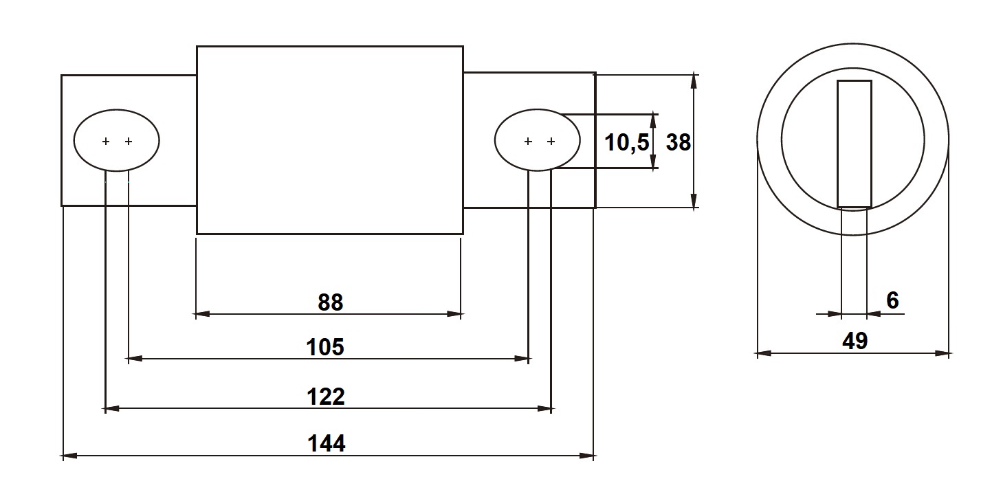
ГАБАРИТНЫЕ РАЗМЕРЫ
Технические данные
Номинальный ток плавкой вставки
400А
Рабочее напряжение
до AC/DC1000В
Производитель
Бренд
CHFE
Страна происхождения
Китай



