Модуль сопряжения МС-05-04 УХЛ4
НАЗНАЧЕНИЕ
Модуль сопряжения МС-05-04 УХЛ4 арт. производителя 2000016938265 (далее МС-05-04) предназначен для расширения колличества дискретных выходов (DO) приборов управления (ПЛК, ПК, панелей операторов и т.д.). Подключение и управление осуществляются по стандартному протоколу Modbus RTU через последовательный интерфейс RS-485.
ОПИСАНИЕ / ПРИНЦИП РАБОТЫ
Управление МС-05-04 осуществляется через запись значений в регистры Modbus, где каждый дискретный выход соответствует отдельному реле, состояние которого контролируется через выделенные регистры состояния. При подачи команды управления контактные группы переходят из нормально разомкнутого состояния в нормально замкнутое (замыкаются контакты х1-х4, х - номер группы контактов) и размыкаются контакты 71-72 и 81-82. При снятии команды управления, контакты х1-х4 размыкаются (х - номер группы контактов), а 71-72 и 81-82 замыкаются.
Функция безопасного состояния. При отсутствии операций чтения / записи в регистр состояния выхода в течение заданного таймаута (по умолчанию 5000 мс), выход автоматически переходит в безопасное состояние. Включение функции, её таймаут и безопасное состояние настраиваются индивидуально для каждой контактной группы через конфигурационные регистры.
- При активации функции безопасного состояния МС-05-04 непрерывно контролирует выходы: если текущее состояние выхода отличается от заданного безопасного (например, замкнуто вместо разомкнутого), автоматически запускается таймер перехода.
- Таймер сбрасывается только при операциях чтения или записи в управляющий регистр выхода, что подтверждает активность связи с устройством.
- При обрыве связи (отсутствии обращений к регистру) таймер завершает отсчет, и выход принудительно переключается в безопасное состояние, обеспечивая отказоустойчивость системы.
ОБРАТИТЕ ВНИМАНИЕ! Для сброса скорости порта и адреса Modbus МС-05-04 к заводским настройкам необходимо: снять питание, нажать и удерживать кнопку "Сброс", подать питание (удерживая кнопку), через 2 секунды (после 3-х миганий индикаторов) отпустить кнопку — остальные параметры сохранятся.
ПРИМЕР ПОДКЛЮЧЕНИЯ МС-05-04
Напряжение питания МС-05-04 – 24В DС.
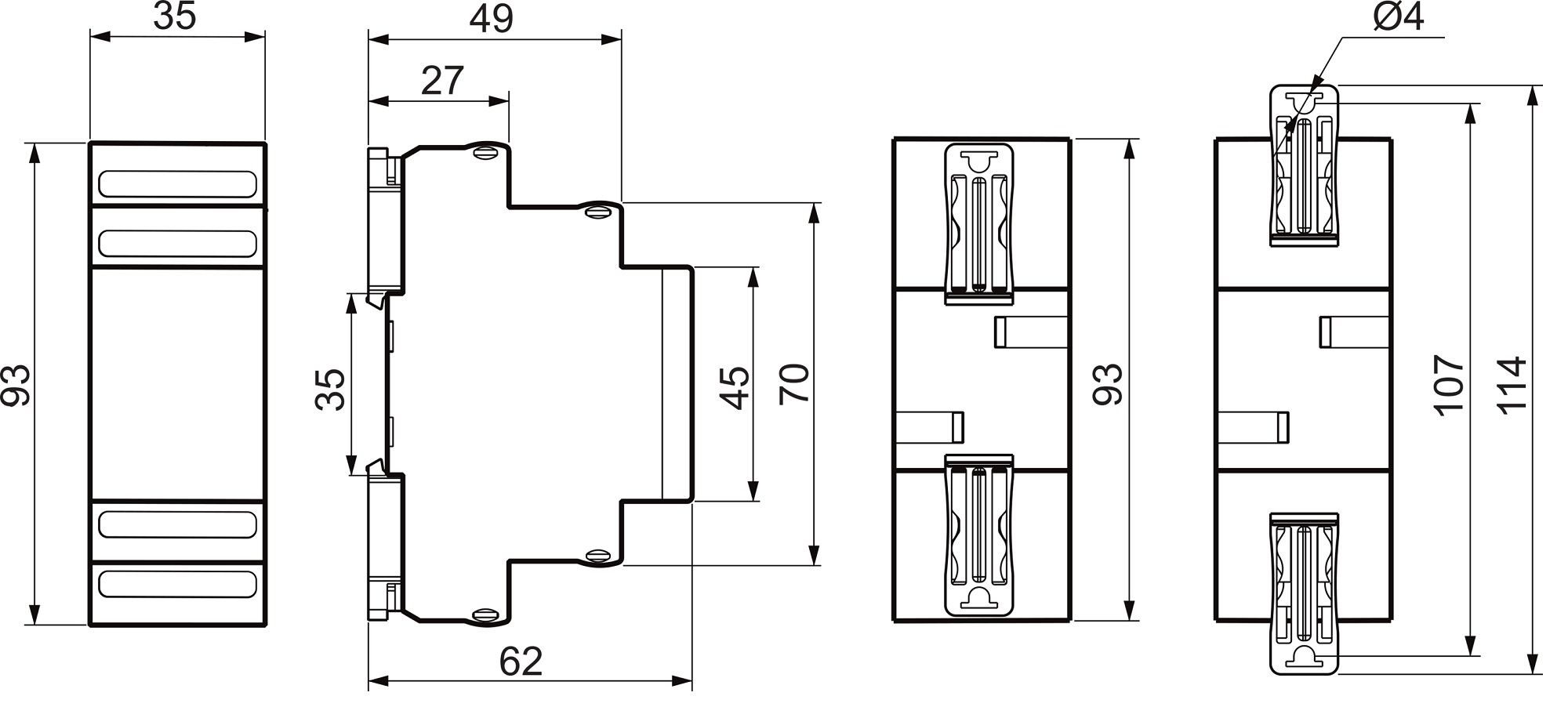
ГАБАРИТНЫЕ РАЗМЕРЫ И ВИД С ЛИЦЕВОЙ СТОРОНЫ
ОБРАТИТЕ ВНИМАНИЕ! Требуемый момент затяжки - 0,4 Н·м. Использование динамометрического инструмента обязательно.




