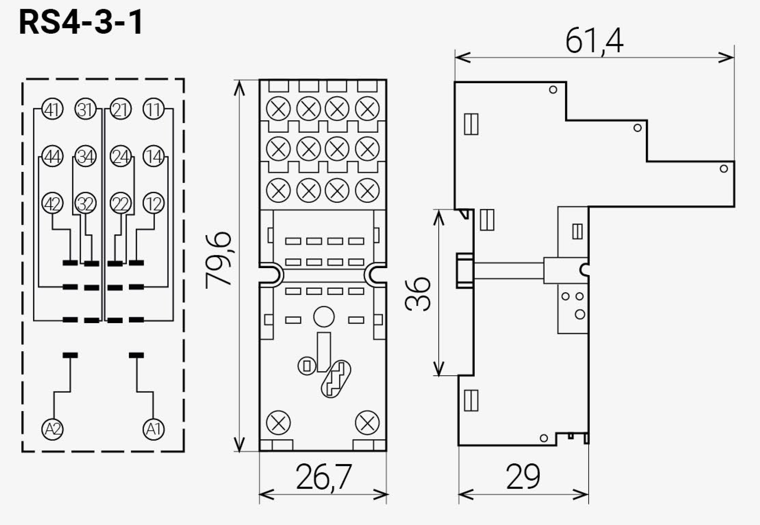
RS4-3-1 колодка для реле
Белая колодка на ДИН рейку с возможностью монтажа электромагнитных реле с контактными группами 3СO или 4CO.
Параметры коммутации исполнительного устройства
Номинальный ток нагрузки
10А
Технические данные
Диапазон рабочих температур
-40…+75°С
Сечение подключаемых проводников
0,5-2,5
кв.мм.
Вес / Размеры
Габаритные размеры (ШхВхГ)
25,5х65,3х30
Производитель
Бренд
ТДС прибор

