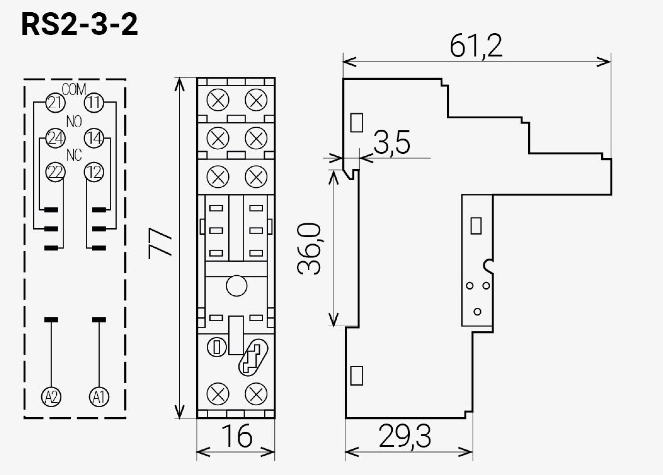
RS2-3-1 колодка для реле
НАЗНАЧЕНИЕ
Колодка предназначена для установки в неё электромагнитных реле определенных типов RL-2 и RL-3. Колодка крепиться на стандартную DIN-рейку шириной 35мм. Возможна установка индикаторов состояния реле или RC-цепь (покупается отдельно).
ОСНОВНЫ ПАРАМЕТРЫ
Подробные характеристики:
- Контактная группа: монтаж реле с контактными группами 1СO или 2CO
- Номинальный ток: до 10А
- Номинальное напряжение, не более: АС300V или DC30V
- Винтовые клеммы: до 2,5 мм²
- Момент затяжки клемм, не более: 0,8 Nm
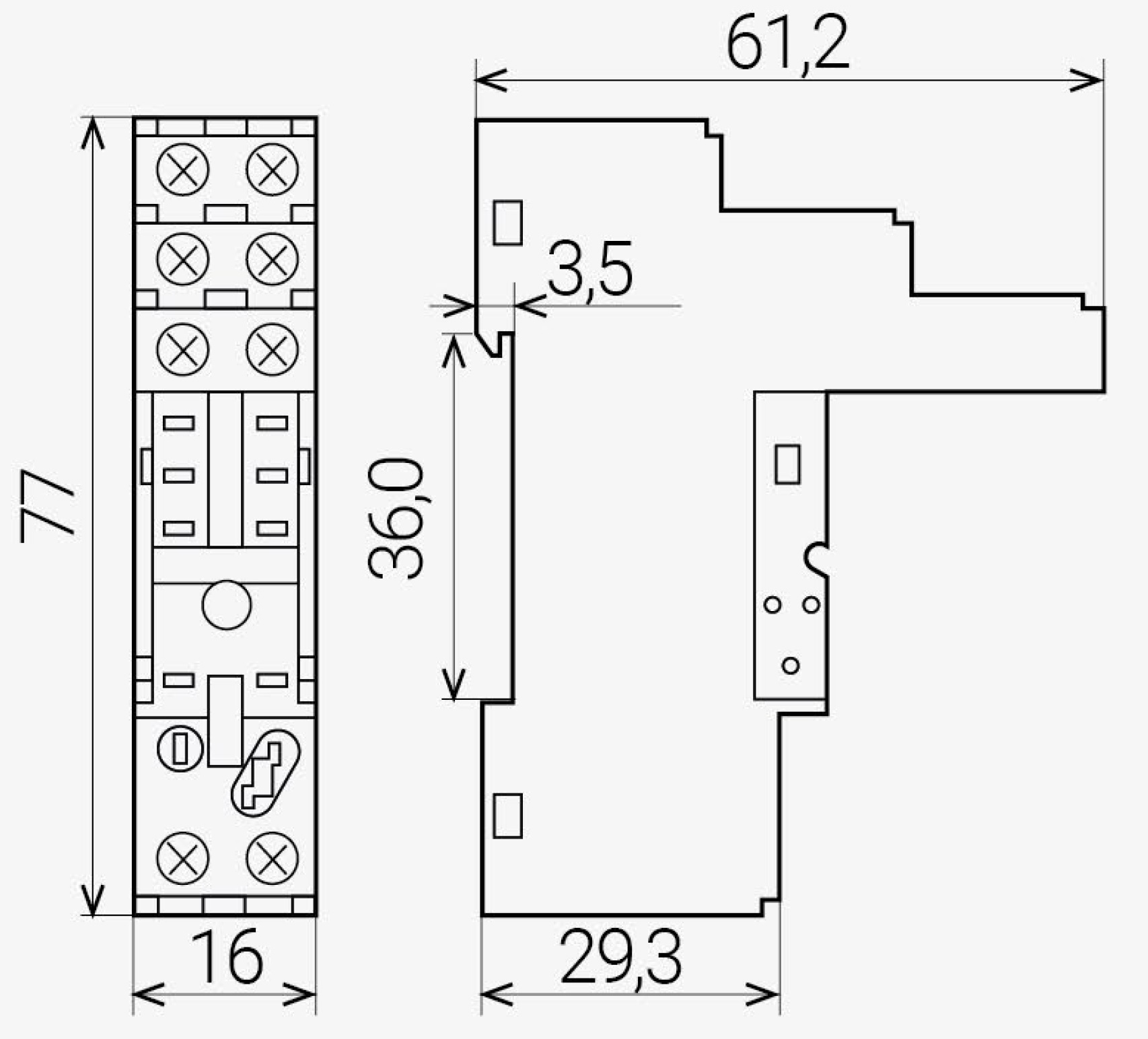
ГАБАРИТНЫЕ РАЗМЕРЫ
Параметры коммутации исполнительного устройства
Номинальный ток нагрузки
10А
Технические данные
Диапазон рабочих температур
-40…+75°С
Сечение подключаемых проводников
0,5-2,5
кв.мм.
Вес / Размеры
Габаритные размеры (ШхВхГ)
16х77х61,2
Производитель
Бренд
ТДС прибор


