Измеритель тока короткого замыкания ВРТ-М03 AC230В УХЛ2
НАЗНАЧЕНИЕ
Цифровой вольтметр-измеритель тока короткого замыкания ВРТ-М03 (далее устройство) предназначен для контроля текущего значения напряжения питания в электрических цепях переменного тока, а так же постоянного контроля величины тока короткого замыкания в цепи "Фаза-Ноль" и состояния защитного провода PE.
ПРИНЦИП РАБОТЫ УСТРОЙСТВА
Питание устройства осуществляется от контролируемой цепи. При подаче питания, если напряжение питания находится в диапазоне от 20В до 450В, то на цифровом индикаторе осуществляется отображение текущего значения величины напряжения питания. В процессе работы Устройство осуществляет постоянное измерение и контроль величины сопротивления цепи "ФАЗА-НОЛЬ" и проверяет измеренное значение на правильность установленного автоматического защитному выключателю (соответствие номинала автоматического выключателя и характеристики электромагнитного расцепителя – А, В, С или D). Если расчетное значение тока короткого замыкания станет ниже, чем значение, при котором установленный автоматический выключатель произведет мгновенное отключение нагрузки, то Устройство замкнет контакт аварийной сигнализации. Тип установленного автоматического выключателя выбирается в настройках Устройства (номинальный ток от 10 до 100А, характеристика электромагнитного расцепителя – А, В, С или D). Сигнал о несоответствии автоматического выключателя текущим параметрам сети прекратится при восстановлении параметров или при смене типа запрограммированного автоматического выключателя.
Посмотреть значение измеренного тока короткого замыкания можно при нажатии на кнопку на лицевой панели Устройства. Первое нажатие – величина тока "КЗ" (А), второе нажатие – величина сопротивления цепи "ФАЗА-НОЛЬ" (Ом), третье нажатие – максимальное зафиксированное напряжение сети, четвертое нажатие – минимальное зафиксированное напряжение сети, пятое нажатие – количество отключений напряжения сети с момента последнего сброса.
ВАЖНО! Устройство необходимо устанавливать только ДО устройства защитного отключения (УЗО).
В конструкции изделия применено поляризованное электромагнитное реле с двумя устойчивыми состояниями. Одиночные удары во время транспортировки могут привести к самопроизвольному переключению контактов. Неправильное положение контактов перед первым включением реле не является признаком дефектности реле. При первом включении исходное (выключенное) состояние контактов восстанавливается.
ВАЖНО! Устройство является средством технологического контроля. Периодической поверке не подлежит.
ВАЖНО! При просмотре значений в памяти Устройства регистрация параметров сети не происходит.
ОСНОВНЫЕ ОСОБЕННОСТИ
- Не требует оперативного питания;
- Диапазон измерения напряжения - АС20...450В;
- Класс точности 1,0;
- Наличие памяти событий: максимального и минимального напряжений, их разности и количества отключений;
- Контроль сопротивления цепи фаза-ноль;
- Контроль PE проводника;
- Контроль соответствия вводных автоматов току КЗ;
- Релейный замыкающий (NO) контакт аварийной сигнализации 8А.
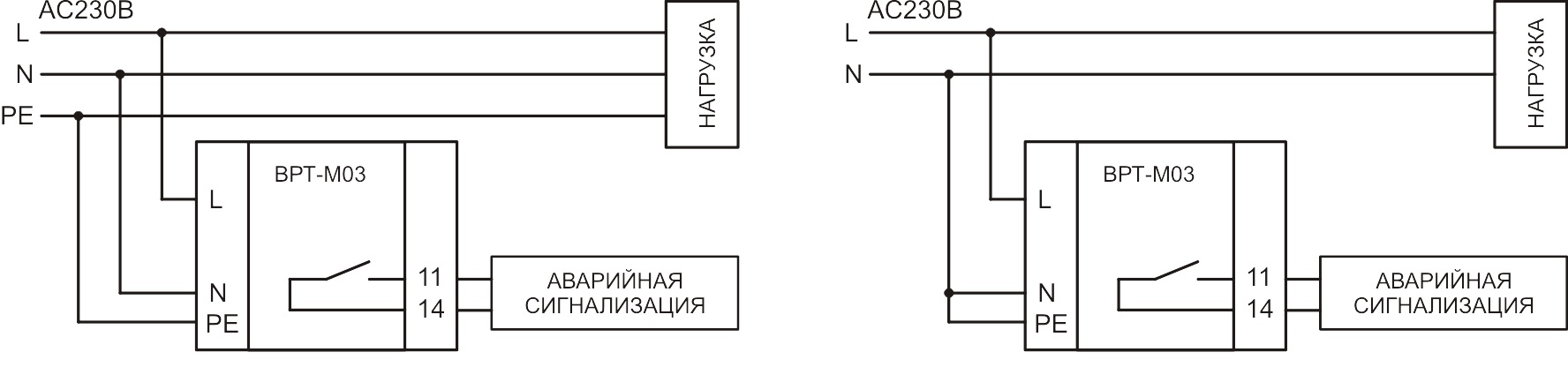
СХЕМА ПОДКЛЮЧЕНИЯ
ГАБАРИТНЫЕ РАЗМЕРЫ
Дополнительную информацию о параметрах и режимах работы устройства Вы можете найти в паспорте изделия (вкладка «файлы»)



