Автоматический ввод резерва МАВР-4-31М УХЛ4
НАЗНАЧЕНИЕ
Модуль автоматического ввода резерва МАВР-4-31М (далее Устройство) предназначен для использования в схеме питания два ввода (где ВВОД 2 ГУ) и одна нагрузка. Устройство управляет коммутационными механизмами для переключения нагрузок с основного источника питания на резервный (Генераторная Установка) (при возникновении аварии на основном вводе) и возврат к исходной схеме питания при нормализации рабочих параметров основного источника питания. Управление коммутационными механизмами осуществляется в ручном или автоматическом режиме. В качестве коммутационных механизмов могут применяться электромагнитные контакторы или автоматические выключатели (с моторприводом).
Устройство позволяет осуществлять удаленное управление и считывание состояний коммутационных механизмов и вводов по протоколу Modbus RTU через интерфейс RS-485.
ПРИНЦИП РАБОТЫ
Устройство позволяет осуществлять резервирование питания нагрузки в нескольких режимах работы Ввода 1 и Ввода 2:
- ВВОД 1 – однофазный, ВВОД 2 – однофазный
- ВВОД 1 – трехфазный, ВВОД 2 – однофазный
- ВВОД 1 – однофазный, ВВОД 2 – трехфазный
- ВВОД 1 – трехфазный, ВВОД 2 – трехфазный
![]() | ![]() |
ОСНОВНЫЕ АЛГОРИТМЫ ФУНКЦИОНИРОВАНИЯ
Автоматический режим, ВВОД1 и ВВОД 2 – однофазная/трехфазная сеть в любых комбинациях
При подаче питания на ВВОД 1/ВВОД 2 Устройство начинает анализировать параметры сети на входе. Для однофазной сети контролируется соответствие напряжения сети заданным верхнему и нижнему порогам срабатывания. Для трехфазной сети контролируется соответствие напряжения на каждой из фаз заданным порогам, а также порядок чередования, обрыв и слипание фаз. Если все параметры сети в норме, то устройство отсчитывает задержку включения, после чего подключает нагрузку к приоритетному вводу. Если на приоритетном вводе происходит аварийная ситуация, Устройство начинает отсчет задержки отключения аварийного ввода, после чего подключает нагрузку на второй Ввод, если параметры его работы находятся в допустимых пределах. Если и второй Ввод неисправен, по окончании отсчета нагрузка отключается от аварийного ввода и остается без питания до момента, пока на одном из вводов параметры сети не будут соответствовать заданным.
Ручной режим, ВВОД1, ВВОД2 – однофазная/трехфазная сеть в любых комбинациях
При подаче питания на ВВОД 1/ВВОД 2 Устройство начинает анализировать параметры сети на входе. Для однофазной сети контролируется соответствие напряжения сети заданным верхнему и нижнему порогам срабатывания (устанавливаются поворотными переключателями на тыльной стороне устройства). Для трехфазной сети контролируется соответствие напряжения на каждой из фаз заданным порогам, а также порядок чередования, обрыв и слипание фаз. Если все параметры сети в норме, то на лицевой стороне напротив соответствующего ввода загораются зеленые индикаторы – "готов". После чего Устройство переходит в режим ожидания команды управления. При получении команды "ВВОД1" или "ВВОД2" устройство осуществляет подключение нагрузки к соответствующему вводу после отсчета задержки включения. При возникновении аварии на основном вводе начинается отсчет задержки отключения аварийного ввода, после чего нагрузка отключается от сети до момента восстановления параметров работы ввода или до получения команды на подключения на другой ввод. При получении команды "СТОП" Устройство отключает нагрузку от сети. При получении команды "АВТО" Устройство переходит в автоматический режим работы. Если в автоматическом режиме работы будет дана команда включения ВВОДА 1 или ВВОДА 2 Устройство перейдет в режим ручного управления.
Защита от циклического переключения между вводами и циклического подключения/отключения (ошибка однократности):
Если произошло включение нагрузки на ввод и затем в течение времени однократности пропала готовность ввода и это привело к отключению нагрузки (готовность отсутствовала дольше времени отключения),
делается вывод о том, что нагрузка оказывает влияние на ввод (например, перегрузка ввода), нагрузка отключается от ввода, фиксируется ошибка однократности. Дальнейших попыток подключения нагрузки к неприоритетному вводу не производится. К приоритетному вводу нагрузка будет подключаться всегда. При выключенном приоритете оба ввода считаются неприоритетными.
При включенном режиме двухкратности подключение нагрузки, пропажа готовности и отключение нагрузки должны произойти дважды подряд, чтобы было зафиксировано аварийное состояние.
Авария однократности сбрасывается после 5 секунд успешной работы от любого ввода, либо при смене режима работы.
ВАЖНО! Для безаварийного приёма нагрузки следует учитывать нагрузочную способность вводов. Подключение дополнительной нагрузки на рабочий ввод может вызвать просадку напряжения на вводе и срабатывание автоматики защиты.01. Ввод1 и Ввод2 в норме, происходит отсчет tвкл.;
02. Отсчет tвкл закончен. Подается сигнал включения на ВВ1 и ВВ2;
03. Ожидание включения ВВ1 и ВВ2 (появления соответствующей обратной связи ОС ВВ1 и ОС ВВ2);
04. ВВ1 и ВВ2 включены. Каждая нагрузка питается от своего ввода;
05. Проходит более 15 сек - tоднократности;
06. Напряжение на Ввод1 выходит за допустимые пределы на время меньшее, чем tоткл. Отключения ВВ1 не происходит;
07. Напряжение на Ввод2 выходит за допустимые пределы. Через время tоткл происходит отключение нагрузки от ввода. Подается сигнал на отключение ВВ2;
08. Ожидание отключения ВВ2 (пропадание соответствующей обратной связи ОС ВВ2);
09. Нагрузка отключена от Ввод1. Ввод2 в допуске, значит нагрузка может быть подключена к Ввод2. Начинается отсчет tвкл.;
10. Отсчет tвкл закончен, начинается подключение нагрузки к Ввод2. Подается сигнал на включение ВВ2 и ожидается его включение.;
11. ВВ2 включен. Нагрузка подключена к Ввод2;
12. Восстановление напряжения на Ввод1 на время меньше tприоритета. Никаких переключений не происходит;
13. Восстановление напряжения на Ввод1. Через время tприоритета начинается переключение нагрузки на Ввод1. Подается сигнал на отключение ВВ2 и ожидается его отключение;
14. Отключен ВВ2. Через tвкл подается сигнал на включение ВВ1 и ожидается его включение;
15. ВВ1 включен. Нагрузка подключена к Ввод1;
16. Напряжение на Ввод1 выходит за допустимые пределы ранее, чем пройдет tоднократности с момента включения ВВ1. Начинается отсчет tоткл.;
17. Отсчет tоткл закончен. Так как при подключении нагрузки к Ввод1 произошел выход напряжения на Ввод1 за допустимые пределы и произошло отключение нагрузки, фиксируется ошибка однократности;
18. ВВ1 и ВВ2 отключены. Нагрузка обесточена. Управления моторприводами более не происходит до сброса ошибки.
ОСНОВНЫЕ ОСОБЕННОСТИ
- Регулировка времени задержки включения нагрузки;
- Регулировка времени задержки отключения нагрузки;
- Регулировка времени задержки возврата на приоритетный ввод;
- Работа с приоритетным вводом или без;
- Индикаторы состояния вводов и текущего состояния устройства;
- Реле для формирования сигнала запуска генератора;
- Возможность дистанционной блокировки кнопок лицевой панели;
- Цепи управления внешними коммутационными устройствами 16А (АС1)/AC230В;
- Возможность удаленного управления и считывания состояний вводов и нагрузок по протоколу Modbus RTU через интерфейс RS485.
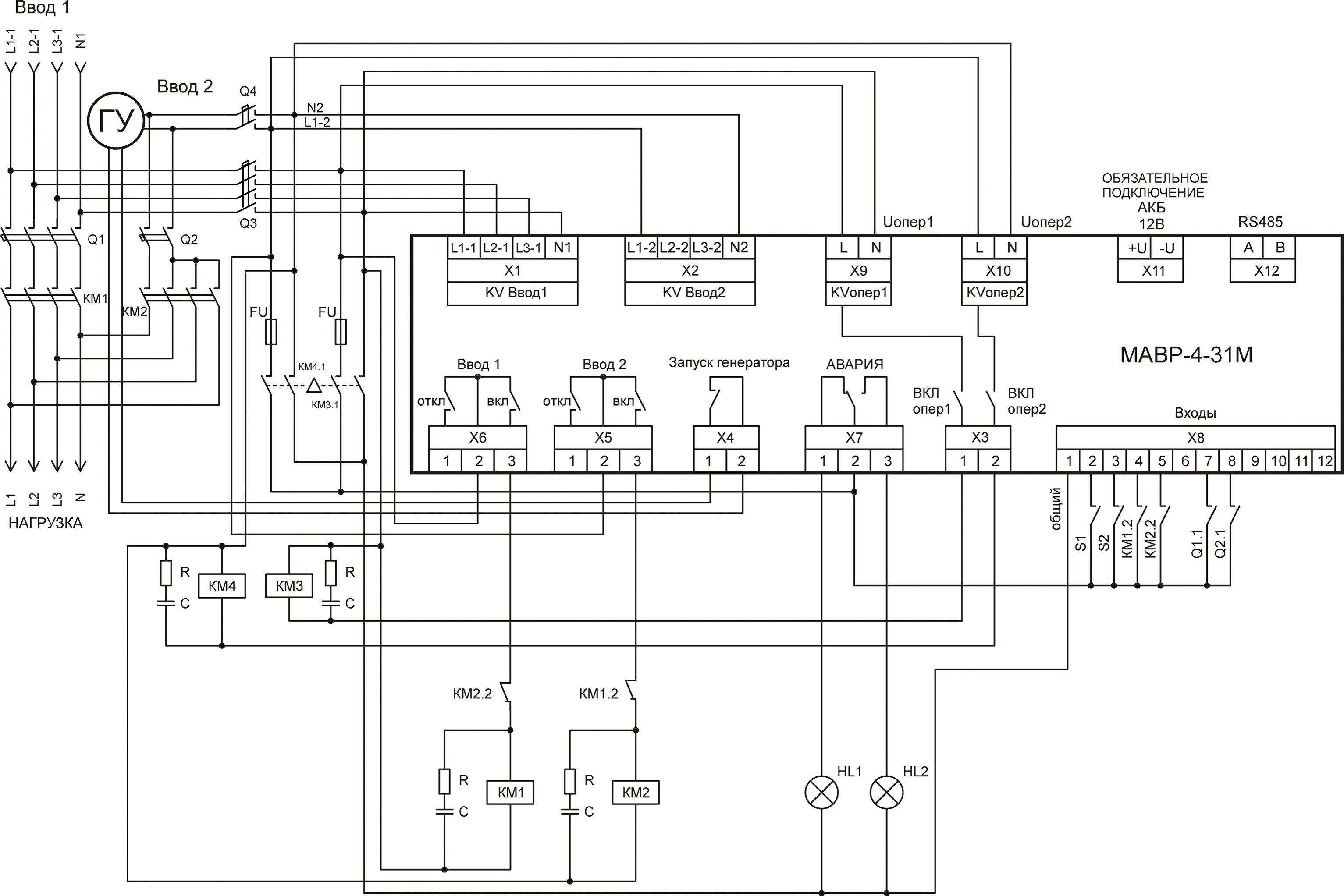
Схема АВР на магнитных пускателях трехфазный ввод и однофазный генератор
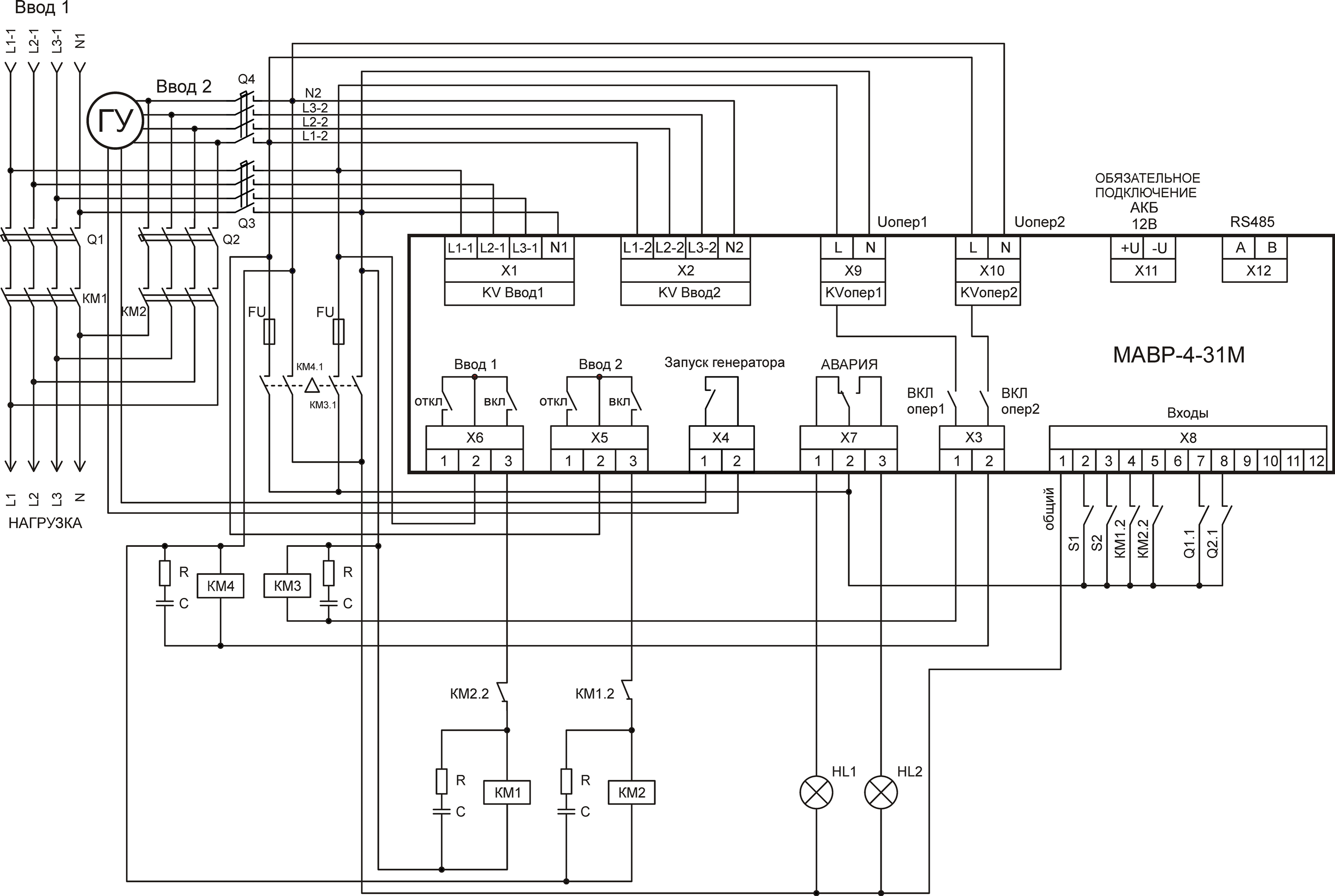
Схема АВР на магнитных пускателях трехфазный ввод и трехфазный генератор
Схема АВР на магнитных пускателях трехфазный ввод и однофазный генератор с ИБП для питания АВР
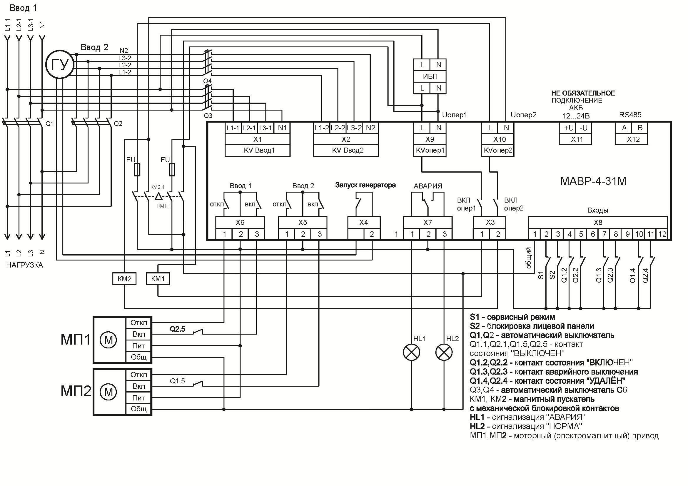
Схема АВР на автоматических выключателях с моторприводом трехфазный ввод и трехфазный генератор с ИБП для питания АВР
Дополнительную информацию о параметрах и режимах работы устройства, а так же все схемы подключения Вы можете найти в паспорте изделия (вкладка «файлы»).









