Автоматический электронный переключатель фаз ПЭФ-301
НАЗНАЧЕНИЕ
Блок управления однофазным автоматическим вводом резерва (реле выбора фаз) ПЭФ-301 (далее устройство) предназначен для автоматического переключения нагрузки на резервную линию, при отключении или возникновении аварийных ситуаций основной рабочей линии.
Устройство имеет три независимых ввода, клемма L1 (приоритетная фаза) и L2, L3 (резервные фазы).
Изделие может применяться в сетях электроснабжения в составе устройств автоматического включения резерва (АВР).
ПРИНЦИП РАБОТЫ УСТРОЙСТВА
При нормальном напряжении на всех фазах, (L1, L2, L3) нагрузка будет подключена к фазе L1. Если значение напряжения L1 выходит за пределы порогов срабатывания, устройство подключает нагрузку к фазе L2. Если на L2 значение напряжения выходит за пределы порогов срабатывания, ПЭФ-301 подключает нагрузку к фазе L3. Если напряжение на резервных фазах не соответствует выставленным порогам – нагрузка отключается.
Переключение на фазу с недопустимыми параметрами не производится.
После перехода на резервную фазу и восстановления параметров напряжения на приоритетной, нагрузка переключится на приоритетную фазу через время возврата, заданное Пользователем (времени АПВ).
Переключение на фазу с недопустимыми параметрами не производится.
После перехода на резервную фазу и восстановления параметров напряжения на приоритетной, нагрузка переключится на приоритетную фазу через время возврата, заданное Пользователем (времени АПВ).
Индикаторы L1, L2, L3 на лицевой панели указывают фазу, к которой подключена нагрузка.
Пользователь имеет возможность выставить пороги срабатывания – минимальное и максимальное значение напряжения, при котором устройство срабатывает и переключает на резервную фазу (отключает нагрузку). При отключении нагрузки от всех трех фаз, горит красный светодиод АВ.
ВАЖНО! Если при отсчете времени возврата напряжение на приоритетной фазе выйдет за пределы порогов, то счетчик времени перезапустится.
ВАЖНО! Если при отсчете времени возврата напряжение на приоритетной фазе выйдет за пределы порогов, то счетчик времени перезапустится.Если регулятор Тв (время возврата) установлен в положении "∞", то возврат на приоритетную фазу происходит только при выходе напряжения на резервной фазе за пределы заданных порогов.
ВАЖНО! Если напряжение, подаваемое на нагрузку, снизится ниже порога минимально допустимого напряжения, переключение или отключение нагрузки происходит с временной задержкой 12 секунд. Если значение напряжения превысит порог максимально допустимого напряжения переключение или отключение нагрузки произойдет с задержкой 0,2 секунды.При отключении нагрузки ПЭФ-320 продолжает контролировать напряжения на всех фазах.
УСЛОВИЯ ЭКСПЛУАТАЦИИ
Устройство обеспечивает заданные режимы функционирования при соблюдении следующих условий:
– температура окружающей среды от минус 35 до +55ºС;
– атмосферное давление от 84 до 106,7 kPa;
– относительная влажность воздуха (при температуре +25 ºС) 30 … 80%.
Если температура изделия после транспортирования или хранения отличается от температуры среды, при которой предполагается эксплуатация, то перед подключением к электрической сети выдержать изделие в условиях эксплуатации в течение двух часов (т.к. на элементах изделия возможна конденсация влаги).
ВАЖНО! Изделие не предназначено для эксплуатации в условиях:
– значительной вибрации и ударов;
– высокой влажности;
– агрессивной среды с содержанием в воздухе кислот, щелочей, и т. п., а также сильных загрязнений (жир, масло, пыль и пр.).
– температура окружающей среды от минус 35 до +55ºС;
– атмосферное давление от 84 до 106,7 kPa;
– относительная влажность воздуха (при температуре +25 ºС) 30 … 80%.
Если температура изделия после транспортирования или хранения отличается от температуры среды, при которой предполагается эксплуатация, то перед подключением к электрической сети выдержать изделие в условиях эксплуатации в течение двух часов (т.к. на элементах изделия возможна конденсация влаги).
ВАЖНО! Изделие не предназначено для эксплуатации в условиях:– значительной вибрации и ударов;
– высокой влажности;
– агрессивной среды с содержанием в воздухе кислот, щелочей, и т. п., а также сильных загрязнений (жир, масло, пыль и пр.).
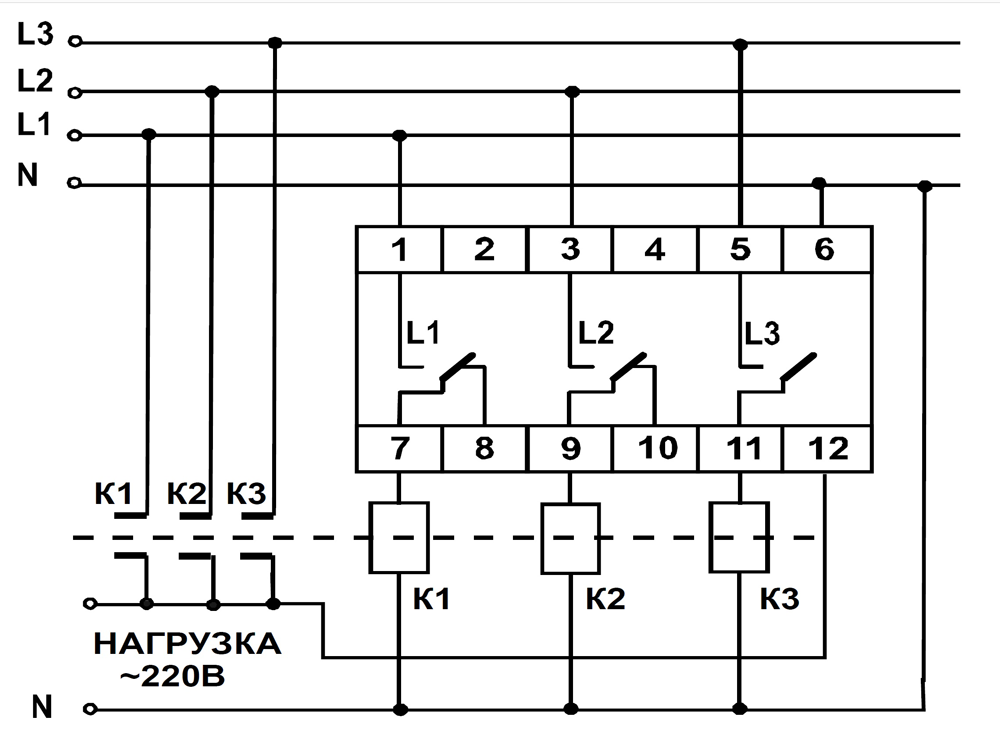
СХЕМА ПОДКЛЮЧЕНИЯ
| Схема подключения при величине нагрузки до 3,5 кВт. | Схема подключения при величине нагрузки более 3,5 кВт. (мощность контакторов не более 3,5 кВт) Подключение клеммы 12 обязательно. |
ГАБАРИТНЫЕ РАЗМЕРЫ
Дополнительную информацию о параметрах и режимах работы устройства Вы можете найти в паспорте изделия (вкладка «файлы»)
Питание
Напряжение питания
Трехфазное четырехпроводная сеть (3p+N)
Напряжение питания AC (переменное)
230
Частота напряжения питания (АС)
45-55
Гц
Максимальное напряжение питания
400 В
В
Параметры защиты
Верхний порог переключения фаз
Регулируемый (230-280В)
Нижний порог переключения фаз
Регулируемый (160-210В)
Параметры коммутации исполнительного устройства
Номинальная мощность нагрузки (AC230В)
3680 Вт
Номинальный ток нагрузки
16А
Тип контактной группы
3 CO
Технические данные
Время включения основного ввода при восстановлении напряжения
Регулируемое (5-200сек)
Время переключения между фазами
Фиксированное (0,2с)
Время переключения по нижнему порогу
Фиксированное (12с)
Время повторного включения(или возврата на приоритетную фазу)
Регулируемое (1-600сек)
Гистерезис срабатывания
5-7В
Диапазон рабочих температур
-35…+55°С
Количество контролируемых вводов
3
Относительная влажность воздуха
до 80% (при 25°С)
Работа с приоритетной фазой
Есть
Сечение подключаемых проводников
0,5-1,5
кв.мм.
Срок службы
10 лет
Степень защиты реле по корпусу / по клеммам по ГОСТ 14254-96
IP40/IP20
Вес / Размеры
Вес
0.2
кг
Габаритные размеры (ШхВхГ)
52х88х65
Производитель
Гарантия производителя
10 лет
Страна происхождения
Россия
Бренд
НОВАТЕК-ЭЛЕКТРО




